Chi tiết cách kết nối, sử dụng và các phím chức năng trên bộ Amply liền mixer DSPPA MP120UB và các lưu ý cần thiết để sản phẩm sử dụng ổn định, lâu dài
Đặc tính Amply liền mixer MP120UB
Tích hợp chức năng phát nhạc từ Bluetooth, FM và USB.
2 đầu vào MIC, 2 đầu vào Line, 1 đầu ra Line.
2 đầu vào EMC (100V/375mV), 1 đầu ra EMC.
Hỗ trợ đầu ra điện áp không đổi 100V/70V và đầu ra điện trở không đổi 4-16Ω.
Có thể điều khiển bằng bộ điều khiển từ xa hồng ngoại.
Với chức năng ưu tiên, mức độ ưu tiên là EMC/MIC1>AUX1/AUX2/MIC2.
Có điều khiển âm lượng chính, điều khiển âm lượng riêng cho MIC & LINE, điều khiển âm lượng âm bổng và âm trầm. control for MIC & LINE, treble and bass volumecontrol.
Mặt trước Amply liền mixer MP120UB

1. Màn hình hiển thị thông tin
2. Giao diện USB: Cắm USB để cung cấp chương trình cho máy MP3 tích hợp.
3. Phát/Tạm dừng: Ở chế độ USB và Bluetooth, phím này là Tạm dừng & Phát. Ở chế độ FM, phím này là tự động tìm kiếm.
4. Bài hát trước/(FM trước khi ở chế độ FM): Ở chế độ USB và Bluetooth, nhấn phím này để chuyển sang "bài hát trước". Ở chế độ FM, nhấn phím này để chuyển sang "FM trước". Ở chế độ FM/Bluetooth/USB, nhấn và giữ phím này để giảm âm lượng.
5. Bài hát tiếp theo/(FM tiếp theo khi ở chế độ FM): Ở chế độ USB và Bluetooth, nhấn phím này để chuyển sang "bài hát tiếp theo". Ở chế độ FM, nhấn phím này để chuyển sang "FM tiếp theo". Ở chế độ FM/Bluetooth/USB, nhấn và giữ phím này để tăng âm lượng.
Phím chức năng chính của chế độ: Có thể chuyển đổi giữa chế độ Bluetooth, chế độ USB, chế độ đầu vào AUX và chế độ FM.
7. Ngõ vào MIC1: Nút này có chức năng ưu tiên. (cùng mức với tín hiệu đầu vào EMC trên bảng điều khiển thực).
8. Điều chỉnh âm lượng MIC1: Điều chỉnh âm lượng của MIC1, theo chiều kim đồng hồ để tăng âm lượng, ngược chiều kim đồng hồ để giảm âm lượng.
9. Điều chỉnh âm lượng MIC2/AUX2: Điều chỉnh âm lượng của MIC2/AUX2, theo chiều kim đồng hồ để tăng âm lượng, ngược chiều kim đồng hồ để giảm âm lượng.
10. Điều chỉnh âm lượng AUX1: Điều chỉnh âm lượng của AUX1, theo chiều kim đồng hồ để tăng âm lượng, ngược chiều kim đồng hồ để giảm âm lượng.
11. Điều chỉnh âm lượng âm trầm: Lấy vị trí trung tâm làm điểm chuẩn, ngược chiều kim đồng hồ để giảm âm trầm, theo chiều kim đồng hồ để tăng âm trầm.
12. Điều chỉnh âm lượng âm bổng: Lấy vị trí trung tâm làm điểm chuẩn, ngược chiều kim đồng hồ để giảm âm bổng, theo chiều kim đồng hồ để tăng âm bổng.
13. Điều chỉnh âm lượng tổng thể: Điều chỉnh mức của tất cả các tín hiệu (trừ tín hiệu EMC ở mặt sau), theo chiều kim đồng hồ để tăng âm lượng, ngược chiều kim đồng hồ để giảm âm lượng.
14. Công tắc nguồn: Nhấn “ON” để bật nguồn, nhấn “OFF” để tắt nguồn.
15. Đèn báo mức: Hiển thị mức âm thanh đầu ra.
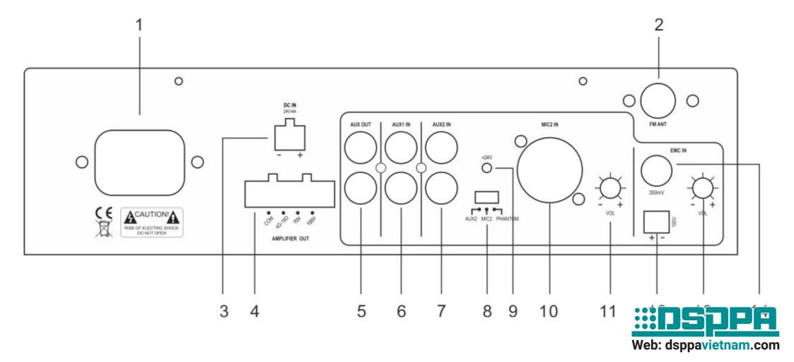
Mặt sau Amply liền mixer MP120UB

1. Nguồn điện vào: Kết nối phích cắm điện từ giao diện này. Cắm phích cắm vào máy, sau đó kết nối với nguồn điện lưới.
2. Giao diện ăng-ten FM: Kết nối ăng-ten FM với giao diện này.
3. Nguồn điện vào DC: Giao diện nguồn điện dự phòng DC24V. (DC24V IN, chỉ cung cấp một nửa công suất đầu ra cho MP120UB)
4. Nguồn điện ra âm thanh: Lưu ý: Không thể kết nối bất kỳ đầu cuối nào của nguồn điện ra với "Dây tiếp địa" trực tiếp hoặc thông qua các thiết bị khác.
5. Đầu ra AUX
6. Cổng vào AUX1
7. Cổng vào AUX2
8. Công tắc chọn nguồn âm thanh (AUX2-MIC2) (Lưu ý: Khi sử dụng công tắc này, bạn cần giảm âm lượng hoặc tắt thiết bị) Công tắc nguồn ảo AUX2, MIC2/24V gạt công tắc sang trái và phải để chọn.
9. Đèn báo nguồn Phantom : MP120UB là 24V
10. Giao diện đầu vào cân bằng MIC2
11. Điều khiển âm lượng AUX2/MIC2
12. Ngõ vào tín hiệu khẩn cấp 100V (Khi sử dụng ngõ vào tín hiệu khẩn cấp 100V bên ngoài, dây nối đất của hai thiết bị không thể kết nối với nhau.)
13. Điều khiển âm lượng đầu vào khẩn cấp
14. Cổng vào tín hiệu khẩn cấp chung
